경사계 센서 WR-7UHA
- ●구매를 원하시면 대리점에 문의하시거나, 아래 전자상거래사이트를 이용하시기 바랍니다.
판매채널 ;당사 대리점을 클릭확인하세요.- 판매채널당사 대리점은 여기를 클릭하시고 확인하십시오.
방수, 고정밀, 견고한 진자형 단축 경사계
특 징특 징
- WR-7UHA 시리즈는 진자형 단축 경사계로, 90°에서 360°까지의 넓은 경사각 범위를 측정하도록 설계되었으며, 비접촉식 설계로 긴 수명과 안정적인 출력 신호를 제공합니다.
- 알루미늄 다이캐스팅 하우징은 적대적인 환경에서도 작동할 수 있도록 밀폐되어 있습니다.
- 건설기계의 붐 각도 제어에 특히 적합합니다.
- 360° 광각
- 높은 정확도: 선형성 ±0.4%
- 벽면 장착: 기울기 각도 및 위치 감지에 사용 가능
- 다이캐스트 알루미늄 케이스는 IP67 보호 등급을 제공
표준 사양
부품 번호 | WR-7UHA | WR-7UHA360 |
---|---|---|
유효 전기각 | 120° | 360° |
출력범위 | 5 ~ 95 %Vin | |
인덱스 포인트 | 50±1 %Vin | |
절대 선형성 | ± 0.8 %FS | ± 0.4 %FS |
경사각 감도 | ± 0.5 %FS | ± 0.3 %FS |
입력 전압 | 5 ± 0.5 VDC | |
부하 저항 | Min. 10 kΩ | |
소비전류 | Max.10 mA | |
온도 특성 - 30 ~ 80℃ (참고 온도 25℃) |
± 0.4 %FS | ± 0.3 %FS |
기계적 경사각 | 360° endless | |
응답 시간(단계별 응답) | Approx. 0.3 second | |
Net Weight | Approx. 260 g | |
사용 온도 범위 | -30 ~ 80 ℃ | |
보관 온도 범위 | -40 ~ 80 ℃ | |
진동 | 50 m/s2 , 5 ~ 500 Hz (6 min), 3 axis 2 hours | |
충격 | 500 m/s2, 11 ms, 6 directions 3 times | |
EMS | 100 V/m, 200 MHz ~ 1 GHz | |
ESD | ± 15 kV | |
IP 등급 | IP64 |
성능 특성


출력 특성
◆WR-7UHA
◆WR-7UHA360
회로도

*빨간색, 흰색, 검은색은 케이블 색상을 나타냅니다.
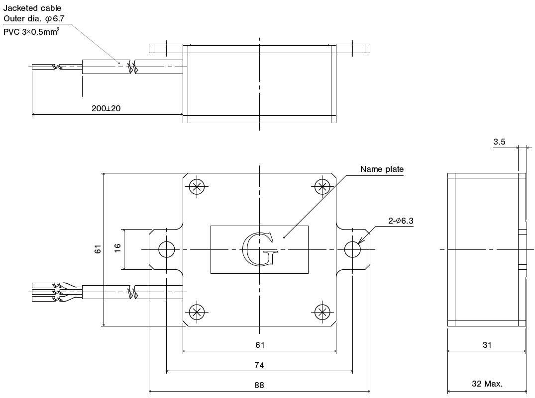
마운트 치수
(Unit:mm)

외형 치수
(Unit:mm)

취급 지침
- 홀-IC 센서는 가변 저항기처럼 저항값을 측정할 수 없습니다.
- 본 제품은 외부 자기장의 영향을 받을 수 있습니다
- 정전기 방전(ESD)으로부터 보호되는 곳에서 사용하십시오.
문서
- ●본 게재 내용은 예고없이 변경되거나 삭제될 수 있으므로 미리 양해 부탁드립니다.