Rotary encoders REC / RES
Ideal for pulse generator for manual numerical setting!
-
Contactless, manual adjustment only
-
Compact, light weight
-
With click (REC20, REC20C, REC20D, RECW20D)
-
Panel seal type (RESW20D, RECW20D)
-
RoHS compliant
PART NUMBER DESIGNATION
| RE | C | W | 20 | D- | 50- | 2 | 0 | 1- | 1 |
|---|---|---|---|---|---|---|---|---|---|
|
Series name |
Click C: With click |
Panel seal W: Panel seal (With O ring) Blank: Non Panel seal
|
Size φ 20 mm |
Model |
Resolution (P/R) 25, 50 |
Output phase 2: “A” & “B” |
|
|
Output connection 1: Cable wire |
LIST OF PART NUMBERS
| Part number | Resolution | Output wave form | Output terminal | Click | Panel seal | CAD |
|---|---|---|---|---|---|---|
| RES20-50-200 | 50 (P/R) | Saturated wave | Pin terminal | Without click | Non Panel seal | |
| RES20-100-200 | 100 (P/R) | Saturated wave | Pin terminal | Without click | Non Panel seal | |
| RES20-50-200-Z | 50 (P/R) | Pseudosquare wave | Pin terminal | Without click | Non Panel seal | |
| RES20-100-200-Z | 100 (P/R) | Pseudosquare wave | Pin terminal | Without click | Non Panel seal | |
| RES20B-25-201-1 | 25 (P/R) | Square wave | Cable wire | Without click | Non Panel seal | |
| RES20D-25-201-1 | 25 (P/R) | Square wave | Cable wire | Without click | Non Panel seal | |
| REC20-25-201-1 | 25 (P/R) | Square wave | Cable wire | With click | Non Panel seal | |
| REC20D-25-201-1 | 25 (P/R) | Square wave | Cable wire | With click | Non Panel seal | |
| RES20D-50-201-1 | 50 (P/R) | Square wave | Cable wire | Without click | Non Panel seal | |
| REC20C-50-201-1 | 50 (P/R) | Square wave | Cable wire | With click | Non Panel seal | |
| REC20D-50-201-1 | 50 (P/R) | Square wave | Cable wire | With click | Non Panel seal | |
| RESW20D-25-201-1 | 25 (P/R) | Square wave | Cable wire | Without click | Panel seal | |
| RECW20D-25-201-1 | 25 (P/R) | Square wave | Cable wire | With click | Panel seal | |
| RESW20D-50-201-1 | 50 (P/R) | Square wave | Cable wire | Without click | Panel seal | |
| RECW20D-50-201-1 | 50 (P/R) | Square wave | Cable wire | With click | Panel seal |
Electrical characteristics
| Part number | RES20 | RES20-Z | REC20 | |||
|---|---|---|---|---|---|---|
| Input voltage | 5 VDC ± 5 % | |||||
| Input current | 40 mA | 50 mA | 70 mA | |||
| Output wave form | Saturated wave | Pseudosquare wave | Square wave | |||
| Output phases | A, B | |||||
| Resolution (P/R) | 50 | 100 | 50 | 100 | 25 | |
| Phase difference of outputs A & B | 90° ± 45° | |||||
| Maximum frequency response | 500Hz | 100Hz | 500Hz | |||
| Output signal | “1 (High)” | 2 Vp-p minimum | 1 Vp-p minimum | + 4.0 V minimum | + 4.5 V minimum | |
| “0 (Low)” | + 1.0 V maximum | + 0.5 V maximum | ||||
| Light source | LED | |||||
| Part number | RES20B | REC20C | RES20D | REC20D | RESW20D | RECW20D | |
|---|---|---|---|---|---|---|---|
| Input voltage | 5 VDC ± 5 % | ||||||
| Input current | 70 mA | 50 mA | |||||
| Output wave form | Square wave | ||||||
| Output phases | A, B | ||||||
| Resolution (P/R) | 25 | 50 | 25, 50 | ||||
| Phase difference of outputs A & B | 90° ± 45° | ||||||
| Maximum frequency response | 500 Hz | 200 Hz | |||||
| Output signal | “1 (High)” | + 4.5 V minimum | |||||
| “0 (Low)” | + 0.5 V maximum | ||||||
| Light source | LED | ||||||
Mechanical characteristics
| Part number | RES20 | RES20-Z | REC20 | RES20B | REC20C | |
|---|---|---|---|---|---|---|
| Starting torque mN·m {gf·cm} |
2.94 {30} maximum |
4.90 {50} maximum |
———— | 2.94 {30} maximum |
———— | |
|
Click torque |
———— | ———— | 19.6 {200} maximum |
———— | 19.6 {200} maximum |
|
| Click number | ———— | ———— | 25 | ———— | 50 | |
| Shaft loading (When mounting) | Radial | 9.81 N {1 kgf} maximum | ||||
| Axial | 4.9 N {500 gf} maximum | |||||
| Net weight | Approx. 20 g | Approx. 20 g | Approx. 25 g | |||
| Strength of tighten screw | 0.98 N·m {10 kgf·cm} maximum | |||||
| Part number | RES20D | REC20D | RESW20D | RECW20D | |
|---|---|---|---|---|---|
| Starting torque mN·m {gf·cm} |
1.18 ± 0.78 {12 ± 8} |
———— | 2.94 ± 1.96 {30 ± 20} |
———— | |
|
Click torque |
———— | 9.81 ± 4.9 {100 ± 50} |
———— | 11.8 ± 4.9 {120 ± 50} |
|
| Click number | ———— | 25, 50 | ———— | 25, 50 | |
| Shaft loading (When mounting) | Radial | 4.90 N {500 gf} maximum | |||
| Axial | 2.94 N {300 gf} maximum | ||||
| Net weight | Approx. 10 g | ||||
| Strength of tighten screw | 0.49 N·m {5 kgf·cm} maximum | ||||
Environmental characteristics
| Operating temp. range | 0 ~ 50 °C |
|---|---|
| Storage temp. range | - 20 ~ 80 °C |
| Protection grade | IP40 |
RELIABILITY TEST
※The output shall satisfy the criteria below after the following tests.
| Test item | Test conditions | ||
|---|---|---|---|
| Vibration | Power OFF | Amplitude : 1.52 mm or 98.1 m/s2 (10 G) whichever is smaller. 10 ~ 500 Hz excursion 15 min/cycle, 8 cycles each for X, Z, directions. |
|
| Shock | Power OFF | 3 times each in directions (X, Z) at 490 m/s2 (50 G), 11 ms. | |
| High temperature exposure | Power OFF | 80 °C 96 h | (To be measured after leaving samples for 1 h at normal temperature and humidity after the test.) |
| Power ON | 50 °C 96 h | ||
| Low temperature exposure | Power OFF | - 20 °C 96 h | |
| Power ON | 0 °C 96 h | ||
| Humidity | Power OFF | 40 °C Relative humidity 90 〜 95 % 96 h (To be measured after wiping out moisture and leaving samples for 1 h at normal temperature and humidity after the test.) |
|
| Thermal shock | Power OFF | To be done 10 cycles with the following condition (To be measured after leaving samples for 1 h at normal temperature and humidity after the test.) 80 °C ± 2 °C 0.5 h、- 20 °C ± 2 °C 0.5 h |
|
OUTPUT
|
|
|
|
|
|
|
|
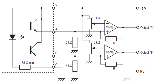
OUTPUT CIRCUIT
|
|
|
|
|
|
|
|
EXTERNAL SCHEMATICS
⦿RES20
|
|
OUTLINE DIMENSIONS
⦿RES20D/RESW20D (Without click / Without click, With panel seal)
⦿REC20D/RECW20D (With click / With click, With panel seal)
|
|
|
|
|
|
⦿ RES20 (Without click)

⦿REC20 (With click) /(Without click)

⦿REC20C (With click)

⦿Accessories

KNOB FOR SETTING ENCODERS
※The knobs are sold separately as an optional item.
You can choose gray or black color.The hexagon socket head screws are attached. (2 pieces)

|
|
Documents
- ●The above contents and descriptions are subject to change without notice.














