Trimmer potentiometer SM-42
-
SM-42(T)A
Side Adjust / J-hook -
SM-42(T)B
Side Adjust / Gull Wing -
SM-42(T)W
Top Adjust / J-hook -
SM-42(T)X
Top Adjust / Gull Wing
-
SM-42(T)A
Side Adjust / J-hook -
SM-42(T)B
Side Adjust / Gull Wing -
SM-42(T)W
Top Adjust / J-hook -
SM-42(T)X
Top Adjust / Gull Wing
Multiturn Surface Mount Cermet Trimmers (11 turns)
- Multiturn type: 11 turns
- Fine adjustment is available
- Automatic mounting is available (Taping)
- Reflow soldering is available
- Sealed construction (Washable)
- Resin material is UL Recognized 94V-0
- Top adjustment type with gull wing terminals available
(Compare: Not available in SM-3/31 series) - In this series, material data sheets ideal for REACH-SVHC
surveys etc. can be downloaded in chemSHERPA-AI format. - Download chemSHERPA-AI from the list of P/N below
Electrical Characteristics
| Power ratings | 0.25 W (85 °C) 0 W (150 °C) |
|---|---|
| Nominal resistance range | 10 Ω ~ 2 MΩ |
| Resistance tolerance | ± 10 % |
| Resistance law | Linear law (B) |
| Maximum input voltage | 300 VDC or power rating, whichever is smaller |
| Maximum wiper current | 100 mA or power rating, whichever is smaller |
| Effective electrical turn | 11 turns (cf. SM-43: 5 turns) |
| End resistance | 1 % or 2 Ω, whichever is greater |
| C.R.V. | 1 % or 3 Ω, whichever is greater |
| Operating temp. range | - 65 ~ 150 °C |
| Temp. coefficient | ± 100 10-6 / °C maximum |
| Insulation resistance | 100 MΩ minimum (500 VDC) |
| Dielectric strength | 600 VAC, 60 s |
| Net weight | Approx. 0.17 g |
Mechanical Characteristics
| Operating torque | 17.6 mN·m {180 gf·cm} maximum |
|---|---|
| Mechanical stop | Clutch action |
| Rotational life | 200 cycles [ΔR/R ≦ ± (3 Ω +3 %)] |
| Thrust to shaft | 5 N {0.51 kgf} minimum |
| Solderability | 245 ± 3 °C, 2 ~ 3 s |
| Shear (Adhesion) | 5 N {0.51 kgf} 10 s |
| Substrate bending | Width 90 mm, bend 3 mm, 5 s, 1 time |
| Pull-off strength | 5 N {0.51 kgf} 10 s |
Environmental Characteristics
| Test item | Test conditions | Specifications |
|---|---|---|
| Thermal shock | - 65 ~ 125 °C (0.5 h), 5 cycles | [ΔR/R ≦ 2 %] [S.S. ≦ 1 %] |
| Humidity | - 10 ~ 65 °C (Relative humidity 80 ~ 98 %), 10 cycles, 240 h | [ΔR/R ≦ 2 %] |
| Shock | 981 m/s2, 6 ms 6 directions for 3 times each | [ΔR/R ≦ 1 %] [S.S. ≦ 1 %] |
| Vibration | Amplitude 1.52 mm or Acceleration 196 m/s2, 10 ~ 2000 Hz, 3 directions, 12 times each | [ΔR/R ≦ 1 %] [S.S. ≦ 1 %] |
| Load life | 85 °C, 0.25 W, 1000 h | [ΔR/R ≦ 3 % or 3 Ω] [S.S. ≦ 2 %] |
| Low temperature operation | - 65 °C, 2 h | [ΔR/R ≦ 1 %] [S.S. ≦ 1 %] |
| High temperature exposure | 150 °C, 250 h | [ΔR/R ≦ 2 %] [S.S. ≦ 1 %] |
| Immersion seal | 85 °C, 60 s | No leaks (No continuous bubbles) |
| Soldering heat |
|
[ΔR/R ≦ 1 %] |
〈Reflow profile for soldering heat evaluation〉

Maximum Input Ratings
| Nominal resistance values (Ω) | Resistance code | Maximum input voltage (V) | Maximum wiper current (mA) |
|---|---|---|---|
| 10※ | 100 | 1.00 | 100 |
| 20※ | 200 | 2.00 | 100 |
| 50 | 500 | 3.53 | 70.7 |
| 100 | 101 | 5.00 | 50.0 |
| 200 | 201 | 7.07 | 35.4 |
| 500 | 501 | 11.2 | 22.4 |
| 1 k | 102 | 15.8 | 15.8 |
| 2 k | 202 | 22.4 | 11.2 |
| 5 k | 502 | 35.4 | 7.07 |
| 10 k | 103 | 50.0 | 5.00 |
| 20 k | 203 | 70.7 | 3.54 |
| 50 k | 503 | 112 | 2.24 |
| 100 k | 104 | 158 | 1.58 |
| 200 k | 204 | 223 | 1.12 |
| 500 k | 504 | 300 | 0.60 |
| 1 M | 105 | 300 | 0.30 |
| 2 M | 205 | 300 | 0.15 |
Part Number Designation
| SM-4 | 2 | T | W | 100 Ω (101) |
|---|---|---|---|---|
|
Series |
Electrical turn 2: 11 turns 3: 5 turns |
Form of packaging T: Taping (Reel) Blank: Bulk in plastic bag |
Terminal shape (Adjust Pos.) W: J-hook (Top adjustment) X: Gull wing (Top adjustment) A: J-hook (Side adjustment) B: Gull wing (Side adjustment) |
Resistance value (Resistance code) |
| Nominal resistance values | 10 Ω*, 20 Ω*, 50 Ω, 100 Ω, 200 Ω, 500 Ω, 1 kΩ, 2 kΩ, 5 kΩ, 10 kΩ, 20 kΩ, 50 kΩ, 100 kΩ, 200 kΩ, 500 kΩ, 1 MΩ, 2 MΩ |
|---|
List of Part Numbers
| Part No. | Electrical Turns | Adjustment Position | Shape of Terminal | Form of Packaging | Packaging Quantity | Full Material Declarations | CAD | |
|---|---|---|---|---|---|---|---|---|
| SM-42TW | 11 turns | Top adjustment | J-hook | Taping (Reel) |
250 pcs./reel | |||
| SM-42W | 11 turns | Top adjustment | J-hook | Plastic bag | 50 pcs./pack | |||
| SM-42TX | 11 turns | Top adjustment | Gull wing | Taping (Reel) |
250 pcs./reel | |||
| SM-42X | 11 turns | Top adjustment | Gull wing | Plastic bag | 50 pcs./pack | |||
| SM-42TA | 11 turns | Side adjustment | J-hook | Taping (Reel) |
500 pcs./reel | |||
| SM-42A | 11 turns | Side adjustment | J-hook | Plastic bag | 50 pcs./pack | |||
| SM-42TB | 11 turns | Side adjustment | Gull wing | Taping (Reel) |
500 pcs./reel | |||
| SM-42B | 11 turns | Side adjustment | Gull wing | Plastic bag | 50 pcs./pack |
Recommended P.C.B. Pad Outline Dimensions
(Unit:mm)

Outline Dimensions
(Unit:mm)




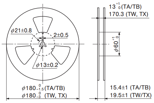
Packaging Specifications
〈Taping packaging specifications〉
●Embossed tape dimension
(Unit:mm)

●Reel dimensions
(Conforms to JIS C 0806-3 , In accordance with EIAJ ET-7200A)

●SM-42/43TW/TX

●SM-42/43TA/TB

〈Bulk pack specifications〉
Documents
- ●The above contents and descriptions are subject to change without notice.





