Potentiometers CP36U
TMR Element Contactless Angle Sensor Equipped with Microcomputer
- Drip-proof High Accuracy Digital Output
- Effective Electrical Travel: 18° ∼ 360°
- Absolute Linearity: ± 0.2 %FS (FS=360°)
- Dual wire 4 ∼ 20 mA current output
- Teach-in function (Zero-Span adjustment, etc.) is available
- Robust Housing: IP67 type is available
Standard specifications
| Item | Non-Adjustable type | Adjustable type | ||
|---|---|---|---|---|
| Effective electrical angle | 360 ~ 271° | 270 ~ 91° | 90 ~ 18° | 360 ~ 18° |
| Absolute Linearity | ± 0.2 %FS | ± 0.3 %FS | ± 0.5 %FS | ± 0.2 ~ ± 2.1 %FS |
| Input Voltage | 24 ± 8 VDC | |||
| Output Range | 4 ~ 20 mA | Resettable (4 ± 1 mA, 20 ± 1 mA,CW, CCW) |
||
| Load Resistance | 600 Ω max. (Vin=@24 VDC) | |||
| Update cycle | 1 kHz ± 10 % | |||
| Resolution | 4.55 μA Typ. (Calculation, 12 bit approx.) | It depends on angle | ||
| Operation temp.Range | - 40 ~ + 85 ℃ | |||
| Storage temp.Range | - 40 ~ + 105 ℃ | |||
| Temp.Drift | ± 1.0° | ± 0.5 ° | ±1.0°(FS=360° ∼ 91°) ±0.5°(FS=90° ∼ 18°) |
|
| IP grade | IP50 / IP67 (Except cable exit) | |||
| Rotational Torque | 1 mN·m Max. (IP50) / 10 mN·m Max. (IP67) | |||
| Vibration | 200 m/s², 5 ∼ 500 Hz / 20 min. 3 axis 2h each (JIS C60068-2) | |||
|
Shock |
1000 m/s², 6 ms 3 axis 6 directions 3 times each (JIS C60068-2-27) | |||
| EMS | 100 V / m : 10 k ~ 1 GHz (ISO11452-2,3) | - | ||
| EMI | CISPR25 CLASS2 | |||
| ESD | IEC61000-4-2 contact ± 4 kV, Air ± 8 kV, Criteria B | |||
- Angle/Resolution/Linearity of w/ASW-unit type If the unit is adjusted by each user, the linearity and resolution will be changed as shown in the below
| Travel | Linearity | Resolution | ||
|---|---|---|---|---|
| FS=360 ° | 0.2 %FS | 12 bit approx. | ||
| >FS=180° | 0.3 %FS | 12 bit approx. | ||
| >FS=90° | 0.5 %FS | 12 bit approx. | ||
| >FS=45° | 0.9 %FS | 11 bit approx. | ||
| >FS=30° | 1.3 %FS | 10 bit approx. | ||
| >FS=18° | 2.1 %FS | 9 bit approx. | ||
Part Number Designation
| CP36U | S | 1 - | 090 - | A - | XX |
|---|---|---|---|---|---|
|
Series name |
IP rating 0: IP50 |
Electrical Angle Non Adjustableーangle e.g. *) |
Output type A: Current 4 ∼ 20 mA |
Mounting plate type custom 01: w/Mounting Plate |
*For example
CP36US1-090-A ------ IP67 , FS= 90°
CP36US0-360-A ------ IP50 , FS=360°
CP36US1-Z01-A ------ IP67 , w / Zero-Span adjustment (Detachable ASW-Unit)
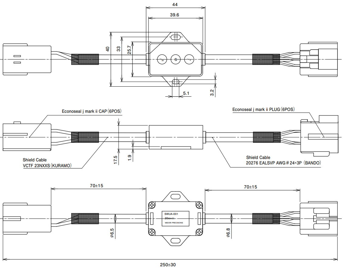
※ASW-Unit is sold separately. Model number : [SWUA-001]
Useful Teach-in Function (Adjusting Switch Unit)
The programmable type of CP36U series provides the folloing user-adjustable functions by using the ASW-unit.

● Offering two types of ASW-unit
[Fixed Cable type]: The ASW-Unit has installed on the fixed wiring cable of the sensor. The unit is unremovable from the cable.
[Detachable Cable type]: The ASW-Unit is removable from the wiring cable of the sensor, and it can be shared use with other programmable CP36U. The ASW-Unit is available to be purchased separately.
- Teach-in Electrical Angle Range
①Setting start (ST) and end (ED) to arbitrary positions.
The accuracy assurance range : FS=18°*¹ ∼ 360°
FS adjustable angle range : 1° ∼ 360°*² - Zero/Span Adjustment
②ZERO Adj. : 4 mA±1mA Adj.
③SPAN Adj. : 20 mA±1mA Adj.
Adjustable Resolution : 4.55 μA approx. - Output increase direction Setting
④Output increasing direction setting to CW
⑤Output increasing direction setting to CCW
*1) Less than FS=18° is 1also a settable range, but out of the assurance range.
*2) If FS is set less than 1° or more than 359°, FS will be automatically reset to 360°.
●Misopeation Prevention Function
To avoid the unintended output adjustment result, the setting will not be effective without pressing the “S (SET)” button. The protective cover to prevent accidentally press the buttons is also attached to the unit.
Output Characteristics

※The output characteristics are typical examples of the 360° output type.
Schematic

- Red、Black and Green indicate harness colors.
- Green is shield drain wire.Be grounded if necessary.
- Rc:Transmitting wire resistance
- RL:Load resistance
Outline Dimensions
①Non-Adjustable type
②Mounting plate type / Option
③Adjustable type / Fixed Cable type
④Adjustable type / Detachable Cable type
◆Detached
◆Attached ASW-Unit
◆ASW-Unit (Selling separately)

Mounting
(Unit:mm)
-
Servo Mount

-
Screw Mount

-
Mounting plate type / Option

-
For ASW - Unit

◆Accessories
- Cleats:2 pcs
- Protection Cover : 1 pcs.
- Flat-Washers : 2 pcs.
Documents
- ●The above contents and descriptions are subject to change without notice.



