スライドスイッチ CMS
-
●お求めの際は、セールスネットワーク または次のWeb通販サイト をご利用ください。





自動搭載可能なスライドスイッチ
FeaturesFeatures
- 小型で幅広い製品ラインアップ (計33型式)
- 耐久性 30,000回
- 上部設定・側部設定ともに自動搭載対応
- 高耐熱性樹脂により優れたはんだ耐熱性
- 樹脂材料は難燃クラス94V-0認証品を採用
- 含有化学物資調査を chemSHERPA 形式で取得可能
- 型式一覧表より chemSHERPA-AI をダウンロード
標準仕様
| Operating temp. range | - 40 ~ 85 °C |
|---|---|
| Storage temp. range | - 40 ~ 85 °C |
| Sealing | Non- Washable |
| Net weight | 0.40 g (CMS-2202) 0.42 g (CMS-2214) 0.45 g (CMS-2302) 0.48 g (CMS-2314) 0.50 g (CMS-2402) 0.54 g (CMS-2414) 0.42 g (CMS-2212) 0.80 g (CMS-4202) 0.48 g (CMS-2312) 0.84 g (CMS-4216) 0.54 g (CMS-2412) |
電気的特性
| Contact rating | Non-switching: 100 mA 50 VDC Switching: 100 mA 12 VDC Minimum: 1 μA 20 mVDC |
|---|---|
| Contact timing | Non-shorting |
| Contact resistance | 70 mΩ maximum |
| Insulation resistance | 100 MΩ minimum (500 VDC) |
| Dielectric strength | 500 VAC, 60 s |
機械的特性
| No. of positions | 2, 3, 4 |
|---|---|
| Stroke | 2 mm |
| Operating force | 1.5 ± 1 N {0.15 ± 0.1 kgf} |
| Stop strength | 30N {3.06 kgf} 15 s (Top setting) 10N {1.02 kgf} 15 s (Side setting) |
| Solderability | 245 ± 3 °C, 2 ~ 3 s |
| Soldering heat | Flow: 260 ± 3 °C, 5 ~ 6 s Reflow: 255 °C (Peak temperature) ※Please refer to the profile below Manual soldering: 350 ± 10 °C, 3 ~ 4 s |
| Shear (Adhesion) | 50 N {5.09 kgf} 10 s |
| Substrate bending | Width 90 mm, bend 3 mm, 5 s, 1 time |
| Pull-off strength | 50 N {5.09 kgf} 10 s |
〈Reflow profile for soldering heat evaluation〉

型式表示
| CMS - | 2 | 2 | 0 | 2 | T | B |
|---|---|---|---|---|---|---|
|
シリーズ名 |
回路数 1: 1回路 |
接点数 2: 2接点 |
設定方向 0: 上部設定型 |
ノブ長さ 2: 2 mm (2 回路・側部設定型のみ) (4 回路・側部設定型のみ) |
包装形態 T: テーピング(リール) |
端子形状 A: J-リード |
型式一覧表
含有化学物資調査用成分表(chemSHERPA-AI)やCADのダウンロードには、ログイン(HP会員登録)が必要です。
[chemSHERPA.shai2 version: 2.12.00]
| 型式 | 回路数 | 接点数 | 設定方向 | 端子形状 | ノブ長さ | 包装仕様 | 含有化学物資調査 | CAD | |
|---|---|---|---|---|---|---|---|---|---|
| CMS-2202TA | 2 | 2 | 上部設定 | J-リード | 2 mm | 900 pcs./reel |
|||
| CMS-2202A | 2 | 2 | 上部設定 | J-リード | 2 mm | 50 pcs./pack |
|||
| CMS-2202TB | 2 | 2 | 上部設定 | ガル・ウィング | 2 mm | 900 pcs./reel |
|||
| CMS-2202B | 2 | 2 | 上部設定 | ガル・ウィング | 2 mm | 50 pcs./pack |
|||
| CMS-2202WC | 2 | 2 | 上部設定 | スルーホールピン | 2 mm | 50 pcs./tray |
|||
| CMS-2202C | 2 | 2 | 上部設定 | スルーホールピン | 2 mm | 50 pcs./pack |
|||
| CMS-2212TA | 2 | 2 | 側部設定 | J-リード | 2 mm | 900 pcs./reel |
|||
| CMS-2212A | 2 | 2 | 側部設定 | J-リード | 2 mm | 50 pcs./pack |
|||
| CMS-2214TA | 2 | 2 | 側部設定 | J-リード | 4 mm | 900 pcs./reel |
|||
| CMS-2214A | 2 | 2 | 側部設定 | J-リード | 4 mm | 50 pcs./pack |
|||
| CMS-2212TB | 2 | 2 | 側部設定 | ガル・ウィング | 2 mm | 900 pcs./reel |
|||
| CMS-2212B | 2 | 2 | 側部設定 | ガル・ウィング | 2 mm | 50 pcs./pack |
|||
| CMS-2214TB | 2 | 2 | 側部設定 | ガル・ウィング | 4 mm | 900 pcs./reel |
|||
| CMS-2214B | 2 | 2 | 側部設定 | ガル・ウィング | 4 mm | 50 pcs./pack |
|||
| CMS-2212WC | 2 | 2 | 側部設定 | スルーホールピン | 2 mm | 50 pcs./tray |
|||
| CMS-2212C | 2 | 2 | 側部設定 | スルーホールピン | 2 mm | 50 pcs./pack |
|||
| CMS-2214WC | 2 | 2 | 側部設定 | スルーホールピン | 4 mm | 50 pcs./tray |
|||
| CMS-2214C | 2 | 2 | 側部設定 | スルーホールピン | 4 mm | 50 pcs./pack |
|||
| CMS-2302TA | 2 | 3 | 上部設定 | J-リード | 2 mm | 900 pcs./reel |
|||
| CMS-2302A | 2 | 3 | 上部設定 | J-リード | 2 mm | 50 pcs./pack |
|||
| CMS-2302TB | 2 | 3 | 上部設定 | ガル・ウィング | 2 mm | 900 pcs./reel |
|||
| CMS-2302B | 2 | 3 | 上部設定 | ガル・ウィング | 2 mm | 50 pcs./pack |
|||
| CMS-2302WC | 2 | 3 | 上部設定 | スルーホールピン | 2 mm | 50 pcs./tray |
|||
| CMS-2302C | 2 | 3 | 上部設定 | スルーホールピン | 2 mm | 50 pcs./pack |
|||
| CMS-2312TA | 2 | 3 | 側部設定 | J-リード | 2 mm | 900 pcs./reel |
|||
| CMS-2312A | 2 | 3 | 側部設定 | J-リード | 2 mm | 50 pcs./pack |
|||
| CMS-2314TA | 2 | 3 | 側部設定 | J-リード | 4 mm | 900 pcs./reel |
|||
| CMS-2314A | 2 | 3 | 側部設定 | J-リード | 4 mm | 50 pcs./pack |
|||
| CMS-2312TB | 2 | 3 | 側部設定 | ガル・ウィング | 2 mm | 900 pcs./reel |
|||
| CMS-2312B | 2 | 3 | 側部設定 | ガル・ウィング | 2 mm | 50 pcs./pack |
|||
| CMS-2314TB | 2 | 3 | 側部設定 | ガル・ウィング | 4 mm | 900 pcs./reel |
|||
| CMS-2314B | 2 | 3 | 側部設定 | ガル・ウィング | 4 mm | 50 pcs./pack |
|||
| CMS-2312WC | 2 | 3 | 側部設定 | スルーホールピン | 2 mm | 50 pcs./tray |
|||
| CMS-2312C | 2 | 3 | 側部設定 | スルーホールピン | 2 mm | 50 pcs./pack |
|||
| CMS-2314WC | 2 | 3 | 側部設定 | スルーホールピン | 4 mm | 50 pcs./tray |
|||
| CMS-2314C | 2 | 3 | 側部設定 | スルーホールピン | 4 mm | 50 pcs./pack |
|||
| CMS-2402TA | 2 | 4 | 上部設定 | J-リード | 2 mm | 900 pcs./reel |
|||
| CMS-2402A | 2 | 4 | 上部設定 | J-リード | 2 mm | 50 pcs./pack |
|||
| CMS-2402TB | 2 | 4 | 上部設定 | ガル・ウィング | 2 mm | 900 pcs./reel |
|||
| CMS-2402B | 2 | 4 | 上部設定 | ガル・ウィング | 2 mm | 50 pcs./pack |
|||
| CMS-2402WC | 2 | 4 | 上部設定 | スルーホールピン | 2 mm | 50 pcs./tray |
|||
| CMS-2402C | 2 | 4 | 上部設定 | スルーホールピン | 2 mm | 50 pcs./pack |
|||
| CMS-2412TA | 2 | 4 | 側部設定 | J-リード | 2 mm | 900 pcs./reel |
|||
| CMS-2412A | 2 | 4 | 側部設定 | J-リード | 2 mm | 50 pcs./pack |
|||
| CMS-2414TA | 2 | 4 | 側部設定 | J-リード | 4 mm | 900 pcs./reel |
|||
| CMS-2414A | 2 | 4 | 側部設定 | J-リード | 4 mm | 50 pcs./pack |
|||
| CMS-2412TB | 2 | 4 | 側部設定 | ガル・ウィング | 2 mm | 900 pcs./reel |
|||
| CMS-2412B | 2 | 4 | 側部設定 | ガル・ウィング | 2 mm | 50 pcs./pack |
|||
| CMS-2414TB | 2 | 4 | 側部設定 | ガル・ウィング | 4 mm | 900 pcs./reel |
|||
| CMS-2414B | 2 | 4 | 側部設定 | ガル・ウィング | 4 mm | 50 pcs./pack |
|||
| CMS-2412WC | 2 | 4 | 側部設定 | スルーホールピン | 2 mm | 50 pcs./tray |
|||
| CMS-2412C | 2 | 4 | 側部設定 | スルーホールピン | 2 mm | 50 pcs./pack |
|||
| CMS-2414WC | 2 | 4 | 側部設定 | スルーホールピン | 4 mm | 50 pcs./tray |
|||
| CMS-2414C | 2 | 4 | 側部設定 | スルーホールピン | 4 mm | 50 pcs./pack |
|||
| CMS-4202TA | 4 | 2 | 上部設定 | J-リード | 2 mm | 500 pcs./reel |
|||
| CMS-4202A | 4 | 2 | 上部設定 | J-リード | 2 mm | 25 pcs./pack |
|||
| CMS-4202TB | 4 | 2 | 上部設定 | ガル・ウィング | 2 mm | 500 pcs./reel |
|||
| CMS-4202B | 4 | 2 | 上部設定 | ガル・ウィング | 2 mm | 25 pcs./pack |
|||
| CMS-4202WC | 4 | 2 | 上部設定 | スルーホールピン | 2 mm | 50 pcs./tray |
|||
| CMS-4202C | 4 | 2 | 上部設定 | スルーホールピン | 2 mm | 25 pcs./pack |
|||
| CMS-4216TA | 4 | 2 | 側部設定 | J-リード | 6 mm | 500 pcs./reel |
|||
| CMS-4216A | 4 | 2 | 側部設定 | J-リード | 6 mm | 25 pcs./pack |
|||
| CMS-4216TB | 4 | 2 | 側部設定 | ガル・ウィング | 6 mm | 500 pcs./reel |
|||
| CMS-4216B | 4 | 2 | 側部設定 | ガル・ウィング | 6 mm | 25 pcs./pack |
|||
| CMS-4216WC | 4 | 2 | 側部設定 | スルーホールピン | 6 mm | 50 pcs./tray |
|||
| CMS-4216C | 4 | 2 | 側部設定 | スルーホールピン | 6 mm | 25 pcs./pack |
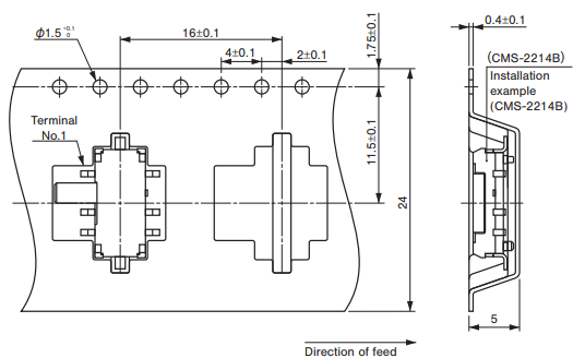
プリント基板加工寸法
(Unit:mm)


推奨ランドパターン




包装仕様
〈テーピングの包装仕様〉
CMS-2 □□□□タイプは 900 個 / リール単位の包装に なりますので、900 個単位(900 個、1800 個、2700 個…)でのご注文をお願い致します。又、CMS-4 □□ □□タイプは 500 個 /リール単位の包装になりますので 500 個単位でのご注文をお願いします。
テーピングリールの箱詰めは、1 リールごとに製品箱に 包装致します
製品の脱落は、連続 2 個以内と致します。
テープのリーダ部、空部およびリール寸法は図に示します。

(Unit:mm)
● テープのリーダ部および空部

● リール寸法図
(JIS C 0806 に一致, EIAJ ET-7200A に準拠)

● CMS-2202TA, TB








● CMS-2302TA, TB
(JIS C 0806 に一致)
(JIS C 0806 に一致)

● CMS-2402TA, TB
(JIS C 0806 に一致)
(JIS C 0806 に一致)

● CMS-2212・2214TA,TB
(JIS C 0806 に一致)
(JIS C 0806 に一致)

● CMS-2312・2314TA, TB
(JIS C 0806 に一致)
(JIS C 0806 に一致)

● CMS-2412・2414TA,TB
(JIS C 0806 に一致)
(JIS C 0806 に一致)

● CMS-4202TA, TB
(JIS C 0806 に一致)
(JIS C 0806 に一致)

● CMS-4216TA, TB

〈トレイの包装仕様〉
トレイでの最小梱包は、50 個 /トレイとなりますので、 50 個単位(50 個、100 個、150 個・・・)でのご 注文をお願いいたします。
トレイの箱詰めは 10トレイごとに製品箱に包装いたしま す。
〈ポリ袋の包装仕様〉
ポリ袋の箱詰めは、CMS-2 □□□□が 50 個単位(標 準は 100 個)、CMS-4 □□□□が 25 個単位(標準は 50 個)を製品箱に包装致します。
環境関連書類
- ●本掲載内容は、予告なく変更する場合がありますので、予めご了承ください。
