小型検出スイッチ CL-DA
A-TCA 規格に使用されるスイッチと同形状、小型・薄型検出スイッチ
FeaturesFeatures
-
金接点による高信頼性
-
側部動作対応タイプ
-
自動搭載対応
-
実装高さ2 mm

標準仕様
| 使用温度範囲 | -40 ~ 85 °C |
|---|---|
| 保存温度範囲 | -40 ~ 85 °C |
| シール性 | オープンタイプのため洗浄不可 |
| 質量 | 0.093 g |
電気的特性
| 接点定格 | Switching DC12 V, 100 mA Minimum DC20 mV, 1 μA |
|---|---|
| 接触抵抗 | 100 mΩ maximum |
| 絶縁抵抗 | 100 MΩ (DC100 V) minimum |
| 耐電圧 | AC250 V, 60s |
機械的特性
| スイッチ特性 | OFF - (ON) / ON - (OFF) |
|---|---|
| ストローク | Pre-travel: 0.35mm Over-travel: 2.0mm total: 2.35mm |
| 作動力 | 0.75 N {0.075 kgf} |
| 操作部強度 | 5 N {0.51 kgf}, 60 s |
| はんだ付け性 | 245 ± 3 °C, 2 ~ 3 s |
| はんだ耐熱性 | Reflow:260 °C(詳細は下記プロファイル参照) |
| 固着性 | 5 N {0.51 kgf} 10 s |
| 耐基板曲げ性 | Width 90 mm, bend 3 mm, 5 s, 1 time |
| 引きはがし強さ | 5 N {0.51 kgf} 10 s |
{ } : 参考値
■<はんだ耐熱性評価用リフロープロファイ>

環境特性
| 耐振性 | 振幅 1.5 mm(全振幅)or 加速度 98 m/s2, 10-500 Hz, 3 directions for 10 cycles each |
|---|---|
| 耐衝撃性 | 490 m/s2, 11 ms 6 directions for 3 times each |
| 耐久性 | Continuous load 50,000cycles DC12 V, 100 mA |
| 温度/ 湿度サイクル | −10 ~ 65 °C, 相対湿度 0 ~ 96 %, 24 h for 10 cycles |
| 耐熱性 | 85 °C, 96 h 無負荷 |
| 耐寒性 | −40 °C, 96 h 無負荷 |
| 温度サイクル | −40 (0.5 h) ~ 85 °C (0.5 h), 5 cycles |
型式表示
| CL-DA- | 1 | C | B4- | A | 2 | T |
|---|---|---|---|---|---|---|
|
シリーズ名 |
極数 01: 1 bit |
スイッチ特性 B:ON (OFF) C:OFF (ON) |
端子形状 B4: Gull wing |
操作部形状 A:スタンダード |
接点材料 2:金 |
包装形態 T :テーピング(リール) |
型式一覧
| 型式 | 極数 | スイッチ特性 | 端子形状 | 操作部形状 | 接点材料 | 包装形態 | CAD |
|---|---|---|---|---|---|---|---|
| CL-DA-1BB4-A2T | 1極 | ON − (OFF) | ガル・ウィング | スタンダード | 金メッキ | テーピング (リール) | |
| CL-DA- 1CB4-A2T |
1極 | OFF − (ON) | ガル・ウィング | スタンダード | 金メッキ | テーピング (リール) |
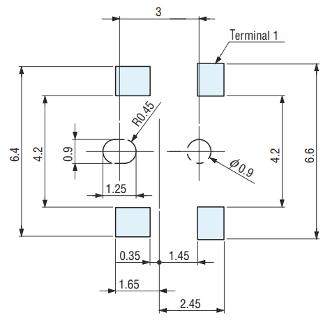
外形寸法図
Unless otherwise specified, tolerance : ± 0.3 (Unit : mm)

推奨ランドパターン
(Unit : mm)

スイッチ特性

包装仕様
〈テーピングの包装仕様〉
テーピングは 1000 個 /リール単位の包装になりますので、1000 個単位でのご注文をお願い致します。
製品の脱落は、連続 2 個以内と致します。テープのリーダ部、空部およびリール寸法は図に示します。
(Unit:mm)
-
● テープのリーダ部および空部

-
● リール寸法図
(JIS C 0806-3 に一致 , EIAJ ET-7200A に準拠)
-
● 1bit

環境関連書類
- ●本掲載内容は、予告なく変更する場合がありますので、予めご了承ください。





