Slide switch CL-SB
-
CL-SB
-
CL-SB
Compact and Wide Variety
- Wide variety (circuit composition, operating direction,
terminal shape: J-hook, Gull wing, Through hole pins) - Standardization of the silver contacts as well as gold contacts
- Stroke is 2 mm
- Using heat-resistant resin to support reflow soldering mounting
- Adopted Twin-contacts mechanism
- Resin material is UL Recognized 94V-0
- In this series, material data sheets ideal for REACH-SVHC
surveys etc. can be downloaded in chemSHERPA-AI format. - Download chemSHERPA-AI from the list of P/N below
Standard Specifications
| Operating temperature range | - 40 ~ 85 °C |
|---|---|
| Storage temperature range | - 40 ~ 85 °C |
| Sealing | Non- Washable |
| Net weight | 0.21 g (CL-SB-12*-0*) 0.22 g (CL-SB-22*-0*) 0.26 g (CL-SB-13*-0*) 0.28 g (CL-SB-23*-0*) 0.21 g (CL-SB-12*-1*) 0.23 g (CL-SB-22*-1*) 0.27 g (CL-SB-13*-1*) 0.29 g (CL-SB-23*-1*) 0.21 g (CL-SB-12C1-11) 0.19 g (CL-SB-12C4-11) |
Electrical Characteristics
|
Contact rating |
Non-switching: 50 VDC 200 mA Switching: 12 VDC 200 mA Minimum: 20 mVDC 1 μA (Gold contacts) / 5 VDC 10 mA (Silver contacts) |
|---|---|
| Contact timing | Non-shorting |
| Contact resistance | Gold contacts: 70 mΩ maximum Silver contacts: 50 mΩ maximum 1.5 mA 1 kHz 20 mV maximum |
| Insulation resistance | 100 MΩ minimum (500 VDC) |
| Dielectric strength | 500 VAC, 60 s |
Mechanical Characteristics
| No. of positions | 2, 3 |
|---|---|
| Stroke | 2 mm |
| Operation force |
2 Contacts (CL-SB-*2*-**) |
| Stop strength | 20 N {2.04 kgf} 15 s |
| Solderability | 245 ± 3 °C, 2 ~ 3 s |
| Soldering heat | Reflow: 255 °C (Peak temperature) *Please refer to the profile below Flow: 260 ± 3 °C, 5 ~ 6 s Manual soldering: 350 ± 10 °C, 3 ~ 4 s |
| Shear | 5 N {0.51 kgf} 10 s |
| Substrate bending | Width 90 mm, bend 3 mm, 5 s, 1 time |
| Pull-off strength | 5 N {0.51 kgf} 10 s |
{ }: Reference only


Environmental Characteristics
| Vibration | Amplitude) 1.5 mm or Acceleration 98 m/s2, 10-500-10 Hz, 3 directions for 2 h each |
|---|---|
| Shock | 490 m/s2, 11 ms 6 directions for 3 times each |
| Load life | 10,000 cycles, 12 ± 0.5 VDC, 200 ± 10 mA |
| Humidity | 40 °C, Relative humidity 90 ~ 95 %, 240 h, No load |
| High temperature exposure | 85 °C, 96 h, No load |
| Low temperature exposure | - 40 °C, 96 h, No load |
| Thermal shock | - 40 (0.5 h) ~ 85 °C (0.5 h), 5 cycles |
Part Number Designation
| CL-SB- | 2 | 3 | B - | 0 | 2 | T |
|---|---|---|---|---|---|---|
|
Series name |
No. of poles 1: 1 pole 2: 2 poles |
No. of positions 2: 2 positions 3: 3 positions |
Shape of terminal A: J-hook B: Gull wing C: Through hole pins C1:
PC terminals with one on the operation side and others on the opposite side※
C4:
Terminals aligned laterally on one side※
|
Setting position 0: Top setting 1: Side setting |
Contact material 1: Silver 2: Gold |
Form of packaging T: Taping Blank: Bulk in plastic bag |
※:
Please check the List of Part Numbers and Outline Dimensions below.
List of Part Numbers
| Part No. | Contact Material | Setting Position | No. of Poles | No. of Pos. | Shape of Terminal | Packaging Spec | Full Material Declarations | CAD | |||||||
|---|---|---|---|---|---|---|---|---|---|---|---|---|---|---|---|
| CL-SB-12A-01T | Silver | Top | 1 | 2 | J-hook | 500 pcs./reel |
Select version 2.11.00 or 2.10.00 from the buttons below to download the chemSHERPA file for Full Material Declarations. [Need to log in to download]
*
You can download the chemSHERPA Data (AI) Entry Support Tool for articles V2R1.01.0 (compatible with up to file ver. 2.11.00) from here.
|
||||||||
| CL-SB-12A-01 | Silver | Top | 1 | 2 | J-hook | 50 pcs./pack |
Select version 2.11.00 or 2.10.00 from the buttons below to download the chemSHERPA file for Full Material Declarations. [Need to log in to download]
*
You can download the chemSHERPA Data (AI) Entry Support Tool for articles V2R1.01.0 (compatible with up to file ver. 2.11.00) from here.
|
||||||||
| CL-SB-12B-01T | Silver | Top | 1 | 2 | Gull wing | 500 pcs./reel |
Select version 2.11.00 or 2.10.00 from the buttons below to download the chemSHERPA file for Full Material Declarations. [Need to log in to download]
*
You can download the chemSHERPA Data (AI) Entry Support Tool for articles V2R1.01.0 (compatible with up to file ver. 2.11.00) from here.
|
||||||||
| CL-SB-12B-01 | Silver | Top | 1 | 2 | Gull wing | 50 pcs./pack |
Select version 2.11.00 or 2.10.00 from the buttons below to download the chemSHERPA file for Full Material Declarations. [Need to log in to download]
*
You can download the chemSHERPA Data (AI) Entry Support Tool for articles V2R1.01.0 (compatible with up to file ver. 2.11.00) from here.
|
||||||||
| CL-SB-12C-01 | Silver | Top | 1 | 2 | Through hole pins |
50 pcs./pack |
Select version 2.11.00 or 2.10.00 from the buttons below to download the chemSHERPA file for Full Material Declarations. [Need to log in to download]
*
You can download the chemSHERPA Data (AI) Entry Support Tool for articles V2R1.01.0 (compatible with up to file ver. 2.11.00) from here.
|
||||||||
| CL-SB-13A-01T | Silver | Top | 1 | 3 | J-hook | 500 pcs./reel |
Select version 2.11.00 or 2.10.00 from the buttons below to download the chemSHERPA file for Full Material Declarations. [Need to log in to download]
*
You can download the chemSHERPA Data (AI) Entry Support Tool for articles V2R1.01.0 (compatible with up to file ver. 2.11.00) from here.
|
||||||||
| CL-SB-13A-01 | Silver | Top | 1 | 3 | J-hook | 50 pcs./pack |
Select version 2.11.00 or 2.10.00 from the buttons below to download the chemSHERPA file for Full Material Declarations. [Need to log in to download]
*
You can download the chemSHERPA Data (AI) Entry Support Tool for articles V2R1.01.0 (compatible with up to file ver. 2.11.00) from here.
|
||||||||
| CL-SB-13B-01T | Silver | Top | 1 | 3 | Gull wing | 500 pcs./reel |
Select version 2.11.00 or 2.10.00 from the buttons below to download the chemSHERPA file for Full Material Declarations. [Need to log in to download]
*
You can download the chemSHERPA Data (AI) Entry Support Tool for articles V2R1.01.0 (compatible with up to file ver. 2.11.00) from here.
|
||||||||
| CL-SB-13B-01 | Silver | Top | 1 | 3 | Gull wing | 50 pcs./pack |
Select version 2.11.00 or 2.10.00 from the buttons below to download the chemSHERPA file for Full Material Declarations. [Need to log in to download]
*
You can download the chemSHERPA Data (AI) Entry Support Tool for articles V2R1.01.0 (compatible with up to file ver. 2.11.00) from here.
|
||||||||
| CL-SB-13C-01 | Silver | Top | 1 | 3 | Through hole pins |
50 pcs./pack |
Select version 2.11.00 or 2.10.00 from the buttons below to download the chemSHERPA file for Full Material Declarations. [Need to log in to download]
*
You can download the chemSHERPA Data (AI) Entry Support Tool for articles V2R1.01.0 (compatible with up to file ver. 2.11.00) from here.
|
||||||||
| CL-SB-22A-01T | Silver | Top | 2 | 2 | J-hook | 500 pcs./reel |
Select version 2.11.00 or 2.10.00 from the buttons below to download the chemSHERPA file for Full Material Declarations. [Need to log in to download]
*
You can download the chemSHERPA Data (AI) Entry Support Tool for articles V2R1.01.0 (compatible with up to file ver. 2.11.00) from here.
|
||||||||
| CL-SB-22A-01 | Silver | Top | 2 | 2 | J-hook | 50 pcs./pack |
Select version 2.11.00 or 2.10.00 from the buttons below to download the chemSHERPA file for Full Material Declarations. [Need to log in to download]
*
You can download the chemSHERPA Data (AI) Entry Support Tool for articles V2R1.01.0 (compatible with up to file ver. 2.11.00) from here.
|
||||||||
| CL-SB-22B-01T | Silver | Top | 2 | 2 | Gull wing | 500 pcs./reel |
Select version 2.11.00 or 2.10.00 from the buttons below to download the chemSHERPA file for Full Material Declarations. [Need to log in to download]
*
You can download the chemSHERPA Data (AI) Entry Support Tool for articles V2R1.01.0 (compatible with up to file ver. 2.11.00) from here.
|
||||||||
| CL-SB-22B-01 | Silver | Top | 2 | 2 | Gull wing | 50 pcs./pack |
Select version 2.11.00 or 2.10.00 from the buttons below to download the chemSHERPA file for Full Material Declarations. [Need to log in to download]
*
You can download the chemSHERPA Data (AI) Entry Support Tool for articles V2R1.01.0 (compatible with up to file ver. 2.11.00) from here.
|
||||||||
| CL-SB-22C-01 | Silver | Top | 2 | 2 | Through hole pins |
50 pcs./pack |
Select version 2.11.00 or 2.10.00 from the buttons below to download the chemSHERPA file for Full Material Declarations. [Need to log in to download]
*
You can download the chemSHERPA Data (AI) Entry Support Tool for articles V2R1.01.0 (compatible with up to file ver. 2.11.00) from here.
|
||||||||
| CL-SB-23A-01T | Silver | Top | 2 | 3 | J-hook | 500 pcs./reel |
Select version 2.11.00 or 2.10.00 from the buttons below to download the chemSHERPA file for Full Material Declarations. [Need to log in to download]
*
You can download the chemSHERPA Data (AI) Entry Support Tool for articles V2R1.01.0 (compatible with up to file ver. 2.11.00) from here.
|
||||||||
| CL-SB-23A-01 | Silver | Top | 2 | 3 | J-hook | 50 pcs./pack |
Select version 2.11.00 or 2.10.00 from the buttons below to download the chemSHERPA file for Full Material Declarations. [Need to log in to download]
*
You can download the chemSHERPA Data (AI) Entry Support Tool for articles V2R1.01.0 (compatible with up to file ver. 2.11.00) from here.
|
||||||||
| CL-SB-23B-01T | Silver | Top | 2 | 3 | Gull wing | 500 pcs./reel |
Select version 2.11.00 or 2.10.00 from the buttons below to download the chemSHERPA file for Full Material Declarations. [Need to log in to download]
*
You can download the chemSHERPA Data (AI) Entry Support Tool for articles V2R1.01.0 (compatible with up to file ver. 2.11.00) from here.
|
||||||||
| CL-SB-23B-01 | Silver | Top | 2 | 3 | Gull wing | 50 pcs./pack |
Select version 2.11.00 or 2.10.00 from the buttons below to download the chemSHERPA file for Full Material Declarations. [Need to log in to download]
*
You can download the chemSHERPA Data (AI) Entry Support Tool for articles V2R1.01.0 (compatible with up to file ver. 2.11.00) from here.
|
||||||||
| CL-SB-23C-01 | Silver | Top | 2 | 3 | Through hole pins |
50 pcs./pack |
Select version 2.11.00 or 2.10.00 from the buttons below to download the chemSHERPA file for Full Material Declarations. [Need to log in to download]
*
You can download the chemSHERPA Data (AI) Entry Support Tool for articles V2R1.01.0 (compatible with up to file ver. 2.11.00) from here.
|
||||||||
| CL-SB-12A-11T | Silver | Side | 1 | 2 | J-hook | 500 pcs./reel |
Select version 2.11.00 or 2.10.00 from the buttons below to download the chemSHERPA file for Full Material Declarations. [Need to log in to download]
*
You can download the chemSHERPA Data (AI) Entry Support Tool for articles V2R1.01.0 (compatible with up to file ver. 2.11.00) from here.
|
||||||||
| CL-SB-12A-11 | Silver | Side | 1 | 2 | J-hook | 50 pcs./pack |
Select version 2.11.00 or 2.10.00 from the buttons below to download the chemSHERPA file for Full Material Declarations. [Need to log in to download]
*
You can download the chemSHERPA Data (AI) Entry Support Tool for articles V2R1.01.0 (compatible with up to file ver. 2.11.00) from here.
|
||||||||
| CL-SB-12B-11T | Silver | Side | 1 | 2 | Gull wing | 500 pcs./reel |
Select version 2.11.00 or 2.10.00 from the buttons below to download the chemSHERPA file for Full Material Declarations. [Need to log in to download]
*
You can download the chemSHERPA Data (AI) Entry Support Tool for articles V2R1.01.0 (compatible with up to file ver. 2.11.00) from here.
|
||||||||
| CL-SB-12B-11 | Silver | Side | 1 | 2 | Gull wing | 50 pcs./pack |
Select version 2.11.00 or 2.10.00 from the buttons below to download the chemSHERPA file for Full Material Declarations. [Need to log in to download]
*
You can download the chemSHERPA Data (AI) Entry Support Tool for articles V2R1.01.0 (compatible with up to file ver. 2.11.00) from here.
|
||||||||
| CL-SB-12C-11 | Silver | Side | 1 | 2 | Through hole pins |
50 pcs./pack |
Select version 2.11.00 or 2.10.00 from the buttons below to download the chemSHERPA file for Full Material Declarations. [Need to log in to download]
*
You can download the chemSHERPA Data (AI) Entry Support Tool for articles V2R1.01.0 (compatible with up to file ver. 2.11.00) from here.
|
||||||||
| CL-SB-13A-11T | Silver | Side | 1 | 3 | J-hook | 500 pcs./reel |
Select version 2.11.00 or 2.10.00 from the buttons below to download the chemSHERPA file for Full Material Declarations. [Need to log in to download]
*
You can download the chemSHERPA Data (AI) Entry Support Tool for articles V2R1.01.0 (compatible with up to file ver. 2.11.00) from here.
|
||||||||
| CL-SB-13A-11 | Silver | Side | 1 | 3 | J-hook | 50 pcs./pack |
Select version 2.11.00 or 2.10.00 from the buttons below to download the chemSHERPA file for Full Material Declarations. [Need to log in to download]
*
You can download the chemSHERPA Data (AI) Entry Support Tool for articles V2R1.01.0 (compatible with up to file ver. 2.11.00) from here.
|
||||||||
| CL-SB-13B-11T | Silver | Side | 1 | 3 | Gull wing | 500 pcs./reel |
Select version 2.11.00 or 2.10.00 from the buttons below to download the chemSHERPA file for Full Material Declarations. [Need to log in to download]
*
You can download the chemSHERPA Data (AI) Entry Support Tool for articles V2R1.01.0 (compatible with up to file ver. 2.11.00) from here.
|
||||||||
| CL-SB-13B-11 | Silver | Side | 1 | 3 | Gull wing | 50 pcs./pack |
Select version 2.11.00 or 2.10.00 from the buttons below to download the chemSHERPA file for Full Material Declarations. [Need to log in to download]
*
You can download the chemSHERPA Data (AI) Entry Support Tool for articles V2R1.01.0 (compatible with up to file ver. 2.11.00) from here.
|
||||||||
| CL-SB-13C-11 | Silver | Side | 1 | 3 | Through hole pins |
50 pcs./pack |
Select version 2.11.00 or 2.10.00 from the buttons below to download the chemSHERPA file for Full Material Declarations. [Need to log in to download]
*
You can download the chemSHERPA Data (AI) Entry Support Tool for articles V2R1.01.0 (compatible with up to file ver. 2.11.00) from here.
|
||||||||
| CL-SB-22A-11T | Silver | Side | 2 | 2 | J-hook | 500 pcs./reel |
Select version 2.11.00 or 2.10.00 from the buttons below to download the chemSHERPA file for Full Material Declarations. [Need to log in to download]
*
You can download the chemSHERPA Data (AI) Entry Support Tool for articles V2R1.01.0 (compatible with up to file ver. 2.11.00) from here.
|
||||||||
| CL-SB-22A-11 | Silver | Side | 2 | 2 | J-hook | 50 pcs./pack |
Select version 2.11.00 or 2.10.00 from the buttons below to download the chemSHERPA file for Full Material Declarations. [Need to log in to download]
*
You can download the chemSHERPA Data (AI) Entry Support Tool for articles V2R1.01.0 (compatible with up to file ver. 2.11.00) from here.
|
||||||||
| CL-SB-22B-11T | Silver | Side | 2 | 2 | Gull wing | 500 pcs./reel |
Select version 2.11.00 or 2.10.00 from the buttons below to download the chemSHERPA file for Full Material Declarations. [Need to log in to download]
*
You can download the chemSHERPA Data (AI) Entry Support Tool for articles V2R1.01.0 (compatible with up to file ver. 2.11.00) from here.
|
||||||||
| CL-SB-22B-11 | Silver | Side | 2 | 2 | Gull wing | 50 pcs./pack |
Select version 2.11.00 or 2.10.00 from the buttons below to download the chemSHERPA file for Full Material Declarations. [Need to log in to download]
*
You can download the chemSHERPA Data (AI) Entry Support Tool for articles V2R1.01.0 (compatible with up to file ver. 2.11.00) from here.
|
||||||||
| CL-SB-22C-11 | Silver | Side | 2 | 2 | Through hole pins |
50 pcs./pack |
Select version 2.11.00 or 2.10.00 from the buttons below to download the chemSHERPA file for Full Material Declarations. [Need to log in to download]
*
You can download the chemSHERPA Data (AI) Entry Support Tool for articles V2R1.01.0 (compatible with up to file ver. 2.11.00) from here.
|
||||||||
| CL-SB-23A-11T | Silver | Side | 2 | 3 | J-hook | 500 pcs./reel |
Select version 2.11.00 or 2.10.00 from the buttons below to download the chemSHERPA file for Full Material Declarations. [Need to log in to download]
*
You can download the chemSHERPA Data (AI) Entry Support Tool for articles V2R1.01.0 (compatible with up to file ver. 2.11.00) from here.
|
||||||||
| CL-SB-23A-11 | Silver | Side | 2 | 3 | J-hook | 50 pcs./pack |
Select version 2.11.00 or 2.10.00 from the buttons below to download the chemSHERPA file for Full Material Declarations. [Need to log in to download]
*
You can download the chemSHERPA Data (AI) Entry Support Tool for articles V2R1.01.0 (compatible with up to file ver. 2.11.00) from here.
|
||||||||
| CL-SB-23B-11T | Silver | Side | 2 | 3 | Gull wing | 500 pcs./reel |
Select version 2.11.00 or 2.10.00 from the buttons below to download the chemSHERPA file for Full Material Declarations. [Need to log in to download]
*
You can download the chemSHERPA Data (AI) Entry Support Tool for articles V2R1.01.0 (compatible with up to file ver. 2.11.00) from here.
|
||||||||
| CL-SB-23B-11 | Silver | Side | 2 | 3 | Gull wing | 50 pcs./pack |
Select version 2.11.00 or 2.10.00 from the buttons below to download the chemSHERPA file for Full Material Declarations. [Need to log in to download]
*
You can download the chemSHERPA Data (AI) Entry Support Tool for articles V2R1.01.0 (compatible with up to file ver. 2.11.00) from here.
|
||||||||
| CL-SB-23C-11 | Silver | Side | 2 | 3 | Through hole pins |
50 pcs./pack |
Select version 2.11.00 or 2.10.00 from the buttons below to download the chemSHERPA file for Full Material Declarations. [Need to log in to download]
*
You can download the chemSHERPA Data (AI) Entry Support Tool for articles V2R1.01.0 (compatible with up to file ver. 2.11.00) from here.
|
||||||||
| CL-SB-12A-02T | Gold | Top | 1 | 2 | J-hook | 500 pcs./reel |
Select version 2.11.00 or 2.10.00 from the buttons below to download the chemSHERPA file for Full Material Declarations. [Need to log in to download]
*
You can download the chemSHERPA Data (AI) Entry Support Tool for articles V2R1.01.0 (compatible with up to file ver. 2.11.00) from here.
|
||||||||
| CL-SB-12A-02 | Gold | Top | 1 | 2 | J-hook | 50 pcs./pack |
Select version 2.11.00 or 2.10.00 from the buttons below to download the chemSHERPA file for Full Material Declarations. [Need to log in to download]
*
You can download the chemSHERPA Data (AI) Entry Support Tool for articles V2R1.01.0 (compatible with up to file ver. 2.11.00) from here.
|
||||||||
| CL-SB-12B-02T | Gold | Top | 1 | 2 | Gull wing | 500 pcs./reel |
Select version 2.11.00 or 2.10.00 from the buttons below to download the chemSHERPA file for Full Material Declarations. [Need to log in to download]
*
You can download the chemSHERPA Data (AI) Entry Support Tool for articles V2R1.01.0 (compatible with up to file ver. 2.11.00) from here.
|
||||||||
| CL-SB-12B-02 | Gold | Top | 1 | 2 | Gull wing | 50 pcs./pack |
Select version 2.11.00 or 2.10.00 from the buttons below to download the chemSHERPA file for Full Material Declarations. [Need to log in to download]
*
You can download the chemSHERPA Data (AI) Entry Support Tool for articles V2R1.01.0 (compatible with up to file ver. 2.11.00) from here.
|
||||||||
| CL-SB-12C-02 | Gold | Top | 1 | 2 | Through hole pins |
50 pcs./pack |
Select version 2.11.00 or 2.10.00 from the buttons below to download the chemSHERPA file for Full Material Declarations. [Need to log in to download]
*
You can download the chemSHERPA Data (AI) Entry Support Tool for articles V2R1.01.0 (compatible with up to file ver. 2.11.00) from here.
|
||||||||
| CL-SB-13A-02T | Gold | Top | 1 | 3 | J-hook | 500 pcs./reel |
Select version 2.11.00 or 2.10.00 from the buttons below to download the chemSHERPA file for Full Material Declarations. [Need to log in to download]
*
You can download the chemSHERPA Data (AI) Entry Support Tool for articles V2R1.01.0 (compatible with up to file ver. 2.11.00) from here.
|
||||||||
| CL-SB-13A-02 | Gold | Top | 1 | 3 | J-hook | 50 pcs./pack |
Select version 2.11.00 or 2.10.00 from the buttons below to download the chemSHERPA file for Full Material Declarations. [Need to log in to download]
*
You can download the chemSHERPA Data (AI) Entry Support Tool for articles V2R1.01.0 (compatible with up to file ver. 2.11.00) from here.
|
||||||||
| CL-SB-13B-02T | Gold | Top | 1 | 3 | Gull wing | 500 pcs./reel |
Select version 2.11.00 or 2.10.00 from the buttons below to download the chemSHERPA file for Full Material Declarations. [Need to log in to download]
*
You can download the chemSHERPA Data (AI) Entry Support Tool for articles V2R1.01.0 (compatible with up to file ver. 2.11.00) from here.
|
||||||||
| CL-SB-13B-02 | Gold | Top | 1 | 3 | Gull wing | 50 pcs./pack |
Select version 2.11.00 or 2.10.00 from the buttons below to download the chemSHERPA file for Full Material Declarations. [Need to log in to download]
*
You can download the chemSHERPA Data (AI) Entry Support Tool for articles V2R1.01.0 (compatible with up to file ver. 2.11.00) from here.
|
||||||||
| CL-SB-13C-02 | Gold | Top | 1 | 3 | Through hole pins |
50 pcs./pack |
Select version 2.11.00 or 2.10.00 from the buttons below to download the chemSHERPA file for Full Material Declarations. [Need to log in to download]
*
You can download the chemSHERPA Data (AI) Entry Support Tool for articles V2R1.01.0 (compatible with up to file ver. 2.11.00) from here.
|
||||||||
| CL-SB-22A-02T | Gold | Top | 2 | 2 | J-hook | 500 pcs./reel |
Select version 2.11.00 or 2.10.00 from the buttons below to download the chemSHERPA file for Full Material Declarations. [Need to log in to download]
*
You can download the chemSHERPA Data (AI) Entry Support Tool for articles V2R1.01.0 (compatible with up to file ver. 2.11.00) from here.
|
||||||||
| CL-SB-22A-02 | Gold | Top | 2 | 2 | J-hook | 50 pcs./pack |
Select version 2.11.00 or 2.10.00 from the buttons below to download the chemSHERPA file for Full Material Declarations. [Need to log in to download]
*
You can download the chemSHERPA Data (AI) Entry Support Tool for articles V2R1.01.0 (compatible with up to file ver. 2.11.00) from here.
|
||||||||
| CL-SB-22B-02T | Gold | Top | 2 | 2 | Gull wing | 500 pcs./reel |
Select version 2.11.00 or 2.10.00 from the buttons below to download the chemSHERPA file for Full Material Declarations. [Need to log in to download]
*
You can download the chemSHERPA Data (AI) Entry Support Tool for articles V2R1.01.0 (compatible with up to file ver. 2.11.00) from here.
|
||||||||
| CL-SB-22B-02 | Gold | Top | 2 | 2 | Gull wing | 50 pcs./pack |
Select version 2.11.00 or 2.10.00 from the buttons below to download the chemSHERPA file for Full Material Declarations. [Need to log in to download]
*
You can download the chemSHERPA Data (AI) Entry Support Tool for articles V2R1.01.0 (compatible with up to file ver. 2.11.00) from here.
|
||||||||
| CL-SB-22C-02 | Gold | Top | 2 | 2 | Through hole pins |
50 pcs./pack |
Select version 2.11.00 or 2.10.00 from the buttons below to download the chemSHERPA file for Full Material Declarations. [Need to log in to download]
*
You can download the chemSHERPA Data (AI) Entry Support Tool for articles V2R1.01.0 (compatible with up to file ver. 2.11.00) from here.
|
||||||||
| CL-SB-23A-02T | Gold | Top | 2 | 3 | J-hook | 500 pcs./reel |
Select version 2.11.00 or 2.10.00 from the buttons below to download the chemSHERPA file for Full Material Declarations. [Need to log in to download]
*
You can download the chemSHERPA Data (AI) Entry Support Tool for articles V2R1.01.0 (compatible with up to file ver. 2.11.00) from here.
|
||||||||
| CL-SB-23A-02 | Gold | Top | 2 | 3 | J-hook | 50 pcs./pack |
Select version 2.11.00 or 2.10.00 from the buttons below to download the chemSHERPA file for Full Material Declarations. [Need to log in to download]
*
You can download the chemSHERPA Data (AI) Entry Support Tool for articles V2R1.01.0 (compatible with up to file ver. 2.11.00) from here.
|
||||||||
| CL-SB-23B-02T | Gold | Top | 2 | 3 | Gull wing | 500 pcs./reel |
Select version 2.11.00 or 2.10.00 from the buttons below to download the chemSHERPA file for Full Material Declarations. [Need to log in to download]
*
You can download the chemSHERPA Data (AI) Entry Support Tool for articles V2R1.01.0 (compatible with up to file ver. 2.11.00) from here.
|
||||||||
| CL-SB-23B-02 | Gold | Top | 2 | 3 | Gull wing | 50 pcs./pack |
Select version 2.11.00 or 2.10.00 from the buttons below to download the chemSHERPA file for Full Material Declarations. [Need to log in to download]
*
You can download the chemSHERPA Data (AI) Entry Support Tool for articles V2R1.01.0 (compatible with up to file ver. 2.11.00) from here.
|
||||||||
| CL-SB-23C-02 | Gold | Top | 2 | 3 | Through hole pins |
50 pcs./pack |
Select version 2.11.00 or 2.10.00 from the buttons below to download the chemSHERPA file for Full Material Declarations. [Need to log in to download]
*
You can download the chemSHERPA Data (AI) Entry Support Tool for articles V2R1.01.0 (compatible with up to file ver. 2.11.00) from here.
|
||||||||
| CL-SB-12A-12T | Gold | Side | 1 | 2 | J-hook | 500 pcs./reel |
Select version 2.11.00 or 2.10.00 from the buttons below to download the chemSHERPA file for Full Material Declarations. [Need to log in to download]
*
You can download the chemSHERPA Data (AI) Entry Support Tool for articles V2R1.01.0 (compatible with up to file ver. 2.11.00) from here.
|
||||||||
| CL-SB-12A-12 | Gold | Side | 1 | 2 | J-hook | 50 pcs./pack |
Select version 2.11.00 or 2.10.00 from the buttons below to download the chemSHERPA file for Full Material Declarations. [Need to log in to download]
*
You can download the chemSHERPA Data (AI) Entry Support Tool for articles V2R1.01.0 (compatible with up to file ver. 2.11.00) from here.
|
||||||||
| CL-SB-12B-12T | Gold | Side | 1 | 2 | Gull wing | 500 pcs./reel |
Select version 2.11.00 or 2.10.00 from the buttons below to download the chemSHERPA file for Full Material Declarations. [Need to log in to download]
*
You can download the chemSHERPA Data (AI) Entry Support Tool for articles V2R1.01.0 (compatible with up to file ver. 2.11.00) from here.
|
||||||||
| CL-SB-12B-12 | Gold | Side | 1 | 2 | Gull wing | 50 pcs./pack |
Select version 2.11.00 or 2.10.00 from the buttons below to download the chemSHERPA file for Full Material Declarations. [Need to log in to download]
*
You can download the chemSHERPA Data (AI) Entry Support Tool for articles V2R1.01.0 (compatible with up to file ver. 2.11.00) from here.
|
||||||||
| CL-SB-12C-12 | Gold | Side | 1 | 2 | Through hole pins |
50 pcs./pack |
Select version 2.11.00 or 2.10.00 from the buttons below to download the chemSHERPA file for Full Material Declarations. [Need to log in to download]
*
You can download the chemSHERPA Data (AI) Entry Support Tool for articles V2R1.01.0 (compatible with up to file ver. 2.11.00) from here.
|
||||||||
| CL-SB-13A-12T | Gold | Side | 1 | 3 | J-hook | 500 pcs./reel |
Select version 2.11.00 or 2.10.00 from the buttons below to download the chemSHERPA file for Full Material Declarations. [Need to log in to download]
*
You can download the chemSHERPA Data (AI) Entry Support Tool for articles V2R1.01.0 (compatible with up to file ver. 2.11.00) from here.
|
||||||||
| CL-SB-13A-12 | Gold | Side | 1 | 3 | J-hook | 50 pcs./pack |
Select version 2.11.00 or 2.10.00 from the buttons below to download the chemSHERPA file for Full Material Declarations. [Need to log in to download]
*
You can download the chemSHERPA Data (AI) Entry Support Tool for articles V2R1.01.0 (compatible with up to file ver. 2.11.00) from here.
|
||||||||
| CL-SB-13B-12T | Gold | Side | 1 | 3 | Gull wing | 500 pcs./reel |
Select version 2.11.00 or 2.10.00 from the buttons below to download the chemSHERPA file for Full Material Declarations. [Need to log in to download]
*
You can download the chemSHERPA Data (AI) Entry Support Tool for articles V2R1.01.0 (compatible with up to file ver. 2.11.00) from here.
|
||||||||
| CL-SB-13B-12 | Gold | Side | 1 | 3 | Gull wing | 50 pcs./pack |
Select version 2.11.00 or 2.10.00 from the buttons below to download the chemSHERPA file for Full Material Declarations. [Need to log in to download]
*
You can download the chemSHERPA Data (AI) Entry Support Tool for articles V2R1.01.0 (compatible with up to file ver. 2.11.00) from here.
|
||||||||
| CL-SB-13C-12 | Gold | Side | 1 | 3 | Through hole pins |
50 pcs./pack |
Select version 2.11.00 or 2.10.00 from the buttons below to download the chemSHERPA file for Full Material Declarations. [Need to log in to download]
*
You can download the chemSHERPA Data (AI) Entry Support Tool for articles V2R1.01.0 (compatible with up to file ver. 2.11.00) from here.
|
||||||||
| CL-SB-22A-12T | Gold | Side | 2 | 2 | J-hook | 500 pcs./reel |
Select version 2.11.00 or 2.10.00 from the buttons below to download the chemSHERPA file for Full Material Declarations. [Need to log in to download]
*
You can download the chemSHERPA Data (AI) Entry Support Tool for articles V2R1.01.0 (compatible with up to file ver. 2.11.00) from here.
|
||||||||
| CL-SB-22A-12 | Gold | Side | 2 | 2 | Gull wing | 50 pcs./pack |
Select version 2.11.00 or 2.10.00 from the buttons below to download the chemSHERPA file for Full Material Declarations. [Need to log in to download]
*
You can download the chemSHERPA Data (AI) Entry Support Tool for articles V2R1.01.0 (compatible with up to file ver. 2.11.00) from here.
|
||||||||
| CL-SB-22B-12T | Gold | Side | 2 | 2 | Gull wing | 500 pcs./reel |
Select version 2.11.00 or 2.10.00 from the buttons below to download the chemSHERPA file for Full Material Declarations. [Need to log in to download]
*
You can download the chemSHERPA Data (AI) Entry Support Tool for articles V2R1.01.0 (compatible with up to file ver. 2.11.00) from here.
|
||||||||
| CL-SB-22B-12 | Gold | Side | 2 | 2 | Gull wing | 50 pcs./pack |
Select version 2.11.00 or 2.10.00 from the buttons below to download the chemSHERPA file for Full Material Declarations. [Need to log in to download]
*
You can download the chemSHERPA Data (AI) Entry Support Tool for articles V2R1.01.0 (compatible with up to file ver. 2.11.00) from here.
|
||||||||
| CL-SB-22C-12 | Gold | Side | 2 | 2 | Through hole pins |
50 pcs./pack |
Select version 2.11.00 or 2.10.00 from the buttons below to download the chemSHERPA file for Full Material Declarations. [Need to log in to download]
*
You can download the chemSHERPA Data (AI) Entry Support Tool for articles V2R1.01.0 (compatible with up to file ver. 2.11.00) from here.
|
||||||||
| CL-SB-23A-12T | Gold | Side | 2 | 3 | J-hook | 500 pcs./reel |
Select version 2.11.00 or 2.10.00 from the buttons below to download the chemSHERPA file for Full Material Declarations. [Need to log in to download]
*
You can download the chemSHERPA Data (AI) Entry Support Tool for articles V2R1.01.0 (compatible with up to file ver. 2.11.00) from here.
|
||||||||
| CL-SB-23A-12 | Gold | Side | 2 | 3 | J-hook | 50 pcs./pack |
Select version 2.11.00 or 2.10.00 from the buttons below to download the chemSHERPA file for Full Material Declarations. [Need to log in to download]
*
You can download the chemSHERPA Data (AI) Entry Support Tool for articles V2R1.01.0 (compatible with up to file ver. 2.11.00) from here.
|
||||||||
| CL-SB-23B-12T | Gold | Side | 2 | 3 | Gull wing | 500 pcs./reel |
Select version 2.11.00 or 2.10.00 from the buttons below to download the chemSHERPA file for Full Material Declarations. [Need to log in to download]
*
You can download the chemSHERPA Data (AI) Entry Support Tool for articles V2R1.01.0 (compatible with up to file ver. 2.11.00) from here.
|
||||||||
| CL-SB-23B-12 | Gold | Side | 2 | 3 | Gull wing | 50 pcs./pack |
Select version 2.11.00 or 2.10.00 from the buttons below to download the chemSHERPA file for Full Material Declarations. [Need to log in to download]
*
You can download the chemSHERPA Data (AI) Entry Support Tool for articles V2R1.01.0 (compatible with up to file ver. 2.11.00) from here.
|
||||||||
| CL-SB-23C-12 | Gold | Side | 2 | 3 | Through hole pins |
50 pcs./pack |
Select version 2.11.00 or 2.10.00 from the buttons below to download the chemSHERPA file for Full Material Declarations. [Need to log in to download]
*
You can download the chemSHERPA Data (AI) Entry Support Tool for articles V2R1.01.0 (compatible with up to file ver. 2.11.00) from here.
|
||||||||
| CL-SB-12C1-11※ | Silver | Side | 1 | 2 | Through hole pins |
50 pcs./pack |
Select version 2.11.00 or 2.10.00 from the buttons below to download the chemSHERPA file for Full Material Declarations. [Need to log in to download]
*
You can download the chemSHERPA Data (AI) Entry Support Tool for articles V2R1.01.0 (compatible with up to file ver. 2.11.00) from here.
|
||||||||
| CL-SB-12C4-11※ | Silver | Side | 1 | 2 | Through hole pins |
50 pcs./pack |
Select version 2.11.00 or 2.10.00 from the buttons below to download the chemSHERPA file for Full Material Declarations. [Need to log in to download]
*
You can download the chemSHERPA Data (AI) Entry Support Tool for articles V2R1.01.0 (compatible with up to file ver. 2.11.00) from here.
|
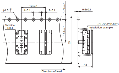
Outline Dimensions
(Unit:mm)













Recommended P.C.B. PAD Outline Dimensions
(Unit:mm)



Size of P.C.B. Processing
(Unit:mm)



Pakaging Specifications
〈Bulk pack specifications〉
〈Taping packaging specifications〉
-
Embossed tape dimensions

-
Reel dimensions (Unit: mm, Conforms to JIS C 0806-3, In accordance with EIAJ ET-7200A)

〈Tape dimensions〉
-
● CL-SB-13A / 13B-0□T

-
● CL-SB-23A / 23B-0□T

-
● CL-SB-12A / 12B-0□T

-
● CL-SB-22A / 22B-0□T

-
● CL-SB-12A / 12B-1□T

-
● CL-SB-22A / 22B-0□T

-
● CL-SB-13A / 13B-1□T

-
● CL-SB-23A / 23B-0□T

Documents
- ●The above contents and descriptions are subject to change without notice.





