壓力傳感器 (with Amp.) PA-848
- ●購買此產品,請與我們的經銷商, 或以下電子商務網站確認。
銷售渠道 ;請確認我們的經銷商。- 銷售渠道點擊此處確認我們的經銷商。



使用端子盒的堅固結構、支撐IP67
特 點特 點
-
室外安裝用帶端子盒的堅固的IP67防水結構
-
受壓部分可支援的最高溫度為100°C
-
內建擴大機的 1~5 VDC輸出(PA-840)或
4~20 mA DC輸出(PA-848) -
採用雙重膜片結構(SUS316L膜片、油封式),實
現高耐腐蝕性 -
業界尺寸最小的端子盒式室外安裝用壓力感知器
型號顯示
| PA-848 - | 102 | R - | R2 | |
|---|---|---|---|---|
|
系列名稱 PA-848:電流輸出(4 ~ 20 mA) |
額定壓力 102R :-0.1~0.1MPa |
壓力類型 G :表壓 |
連接埠 R2:R 1/4 |
|
型號一覽表
| 型號 | 額定壓力 | 最大壓力 | 破壞壓力 | 壓力類型 | 連接埠 | CAD |
|---|---|---|---|---|---|---|
| PA-848-102R-R2 | -0.1~0.1MPa | 0.2MPa | 0.3MPa | 複合壓 | R 1/4 | |
| PA-848-102R-G2 | -0.1~0.1MPa | 0.2MPa | 0.3MPa | 複合壓 | G 1/4 | |
| PA-848-352R-R2 | -0.1~0.35MPa | 0.7MPa | 1.05MPa | 複合壓 | R 1/4 | |
| PA-848-352R-G2 | -0.1~0.35MPa | 0.7MPa | 1.05MPa | 複合壓 | G 1/4 | |
| PA-848-103G-R2 | 0~1.0MPa | 2MPa | 3MPa | 表壓 | R 1/4 | |
| PA-848-103G-G2 | 0~1.0MPa | 2MPa | 3MPa | 表壓 | G 1/4 | |
| PA-848-353G-R2 | 0~3.5MPa | 4MPa | 4.5MPa | 表壓 | R 1/4 | |
| PA-848-353G-G2 | 0~3.5MPa | 4MPa | 4.5MPa | 表壓 | G 1/4 | |
| PA-848-102A-R2 | 0~0.1MPa abs. | 0.2MPa abs. | 0.3MPa abs. | 絕對壓 | R 1/4 | |
| PA-848-102A-G2 | 0~0.1MPa abs. | 0.2MPa abs. | 0.3MPa abs. | 絕對壓 | G 1/4 |
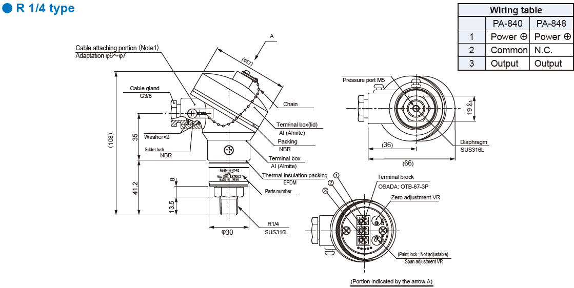
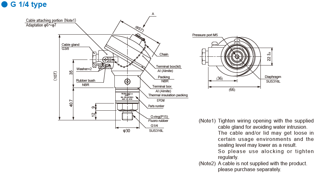
標準規格
| 工作溫度 | 環境溫度:-20~80℃、壓力埠:-20~100℃ 不凍結 |
|---|---|
| 工作濕度 | 35~85%RH 沒有凝結 |
| 儲存溫度 | -20~80℃ |
| 補償溫度範圍 | 0 ~ 50℃ |
| 適用介質 | 不腐蝕 SUS316L 液體,氣體 不腐蝕O形圈(氟化橡膠)的液體,氣體(G2連接埠) |
| 壓力埠 | R 1/4、G 1/4 |
| 淨重 | Approx. 250g |
| 保護結構 | IP67 |
| 工作電壓 | 21.6 ~ 26.4VDC(including ripple) |
模擬輸出
| 壓力範圍 | 102R | 352R | 103G | 353G | 102A |
|---|---|---|---|---|---|
| 輸出電流 | 4~20mA | ||||
| 零電流 | 12±0.2mA | 7.56±0.2mA | 4±0.2mA | 4±0.2mA | 4±0.2mA |
| 跨度電流 | 16±0.4mA | ||||
| 線性度 | ±0.5% FS | ||||
| 溫度特性 | ZERO/ SPAN ±0.06% FS/℃ | ||||
| 電源電壓 | 21.6~26.4V DC(包括紋波) | ||||
| 負載電阻 | 500Ω以下 | ||||
| 響應 | Approx. 2ms | ||||
| 引力作用 (從垂直位置到水平位置) |
± 0.3%F.S. | ± 0.1%F.S. | ± 0.05%F.S. | ± 0.3%F.S. | |
環境特性
| 測試項目 | 測試方法(At 25 ± 5 °C) | 變化量 |
|---|---|---|
| 耐振動 | 10~500Hz 1.5mm以下 98.1m/s2 3 directions for 2 hours each |
零電流、全標度電流 各自最大值± 2%F.S. |
| 耐衝擊 | 490m/s2 3 directions for 3 times each | |
| 壓力周期 | 0~額定壓力/額定壓力範圍 106 cycles | |
| 防潮性 | 40℃,90~95%相對濕度,240小時 |
外形尺寸


- ●請注意, 本網站的內容可能視需要進行變更,取消或終止, 恕不另行通知。
